您好,欢迎访问德傲机械!
15388208625(微信同号)
光学安装固定件-精密光学-成都德傲机械有限公司  专注精密机械制造
联系我们

成都德傲机械有限公司

地址:成都市高新西区天勤路277号
手机:15388208625(微信同号)

咨询热线15388208625

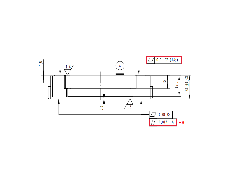
光学安装固定件

发布时间:2026-02-27 16:00:29人气:29

应用于基因测序设备安装成像的高精密要求零件,对垂直度,平面度、平行度、位置度要求极高,加工完成后,三坐标检测完全达到且远远超过预期要求的精度,大大提升了光学成像效果。


光学安装固定件3.png

推荐资讯

15388208625(微信同号)